传导干扰产生原理
开关电源的传导干扰通过输人电源线向外传播,既有差模干扰,又有共模干扰。传导干扰的测试频率范围为0.15~30kHz。
在0.15~1MHz的频率范围内,干扰主要以共模的形式存在,在1~10MHz的频率范围内,干扰的形式是差模和共模共存,在10MHz以上,干扰的形式主要以共模为主。
一、差模干扰
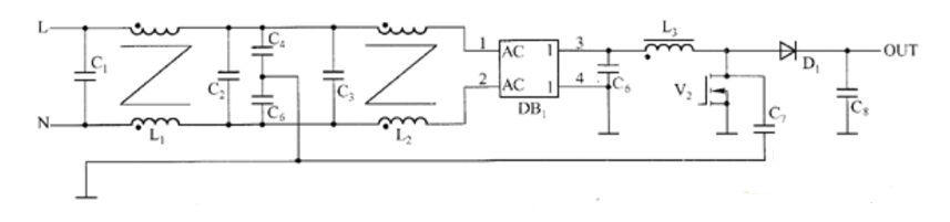
差模干扰的产生主要是由于开关管工作于开关状态,当开关管开通时流过电源线的电流线性上升,开关管关断时电流突变到零,因此流过电源线的电流为高频的三角脉动电流,含有丰富的高频谐波分量,随着频率的升高,该谐波分量的幅值越来越小,因此差模干扰随着频率的升高而降低,输出回路的滤波电路如图所示。电容C6与电感L3组成低通滤波器,差模传导干扰主要存在于低频率段

二、共模干扰
产生共模干扰的主要原因是电源与大地(保护地)之间存在分布电容、电路中方波电压的高频谐波分量通过分布电容传人大地,与电源线构成回路,产生共模干扰。
如图所示,L、N为电源输入,C1、C2、C3、C4、C5、L1、L2。组成输入EMI滤波器,DB1为整流桥,V2为开关管,开关管安装在散热器上,开关管的D极与散热器相连,与散热器之间形成一个耦合电容,如图中的G7所示,开关管V2工作在开关状态,其D极的电压为高频方波,方波的频率为开关管的开关频率,方波中的各次谐波就会通过耦合电容、 L、N电源线构成回路,产生共模干扰。
电源与大地的分布电容比较分散,难以估算,但从图来看,开关管V2的D极与散热器之间耦合电容的作用最大,从DB1到电感L3,之间的电压频率为100Hz,而L3到D1和V2的D极之间的连线的电压均为方波电压,含有大量的高次谐波。其次L3的影响也比较大,但L3与机壳的距离比较远,分布电容比开关管和散热器之间的耦合电容小得多,因此,我们主要考虑开关管与散热器之间的耦合电容。

研发成果 / News center
联系我们 / Contact us
办公地址:东莞市南城区鸿福路200号3栋3单元26层
电话:(86 769)21685502
网址:https://www.flm-cn.com
邮编:523326
中文版
English
